14+ Nissan Cvt Transmission Diagram
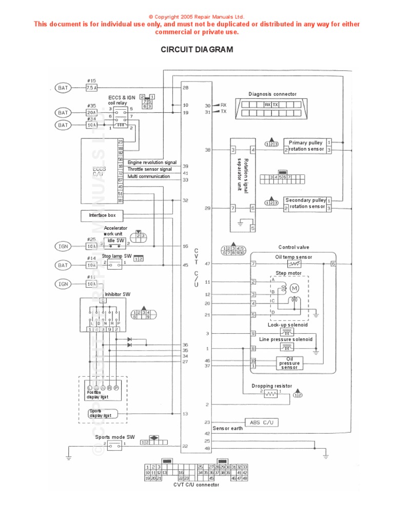
Nissan Cvt Wiring Diagram Pdf Throttle Electrical Components

Nissan Ignition Coil Bolt For Sr20det 89 02 S13 14 15 Faction Motorsports
Is It True That The Cvt Transmission Is Easily Damaged If So Why Are There Still Manufacturers That Produce Their Newest Cars Using Cvt Transmissions Quora
31020 3wx0a Genuine Nissan Part
What Vehicle Will Be A Worthy Replacement For Your Sedan When It Is Time Page 139 Myg37
Rangeextender Gif
Nissan Valve Cover Washer For Sr20det 89 98 S13 14 Faction Motorsports
Kupit Prokladki Poddon Maslyanyj Korobki Peredach Dp0 Al4 Nedorogo
New And Used 2013 Nissan Altima For Sale In Saginaw Mi
Diagram Of Nissan 1400 Gearbox 4 Nissan Nissan Skyline Gt Nissan Titan Xd
Nissan Created The First Production High Torque Cvt Youtube
310 Auto Transmission Transaxle Fitting For Micra K11e Nissan Micra Auto Parts
Free Osmosis Science Beaker Experiment Colouring Sheet
Nissan Launches New Cvt In 12 Versa Wardsauto
Optimization Of A Digital Mass Filter For The Isolation Of Intact Protein Complexes In Stability Zone 1 1 Analytical Chemistry
Cadillac Cts Wikipedia
Perodua Myvi 2022 Facelift Review Spec Price It S A No Brainer To Buy
14 18 2015 Us Forester 2 5 Paddle Shifter Installed Page 3 Subaru Forester Owners Forum